Ford Explorer 1998 Air Condition Schematic / 1999 Ford Explorer Wot Relay Questions With Pictures Fixya : Shut my truck off one day an my trucks warning lights stayed on and drained my battery.

Ford Explorer 1998 Air Condition Schematic / 1999 Ford Explorer Wot Relay Questions With Pictures Fixya : Shut my truck off one day an my trucks warning lights stayed on and drained my battery.. با قابلیت نمایش آمار، سیستم مدیریت فایل و آپلود تا 25 مگ، دریافت بازخورد هوشمند، نسخه پشتیبان از پستها و نظرات Great deals on nonfiction fiction & nonfiction books. I have a 1998 ford f150 4.6 5 speed. I tried getting a jump start but when i put the key in to start it nothing happens. Academia.edu is a platform for academics to share research papers.

میهن بلاگ، ابزار ساده و قدرتمند ساخت و مدیریت وبلاگ. I tried getting a jump start but when i put the key in to start it nothing happens. Academia.edu is a platform for academics to share research papers. I jumped the starter solenoid and got it started without the key in it. I have a 1998 ford f150 4.6 5 speed.

Where Is The Fuel Pump Relay On A 1998 Ford Explorer
Where Is The Fuel Pump Relay On A 1998 Ford Explorer from ww2.justanswer.com
میهن بلاگ، ابزار ساده و قدرتمند ساخت و مدیریت وبلاگ. I tried getting a jump start but when i put the key in to start it nothing happens. The safety lights are still on though. I have a 1998 ford f150 4.6 5 speed. Take a sneak peak at the movies coming out this week (8/12) your favorite moments from 'the bachelorette' season finale; Great deals on nonfiction fiction & nonfiction books. Devita, hellman, and rosenberg's cancer principles & practice of oncology 11th edition Fast & free shipping on many items!

I jumped the starter solenoid and got it started without the key in it.

The latest lifestyle | daily life news, tips, opinion and advice from the sydney morning herald covering life and relationships, beauty, fashion, health & wellbeing Get cozy and expand your home library with a large online selection of books at ebay.com. Academia.edu is a platform for academics to share research papers. Take a sneak peak at the movies coming out this week (8/12) louisville movie theaters: با قابلیت نمایش آمار، سیستم مدیریت فایل و آپلود تا 25 مگ، دریافت بازخورد هوشمند، نسخه پشتیبان از پستها و نظرات Take a sneak peak at the movies coming out this week (8/12) your favorite moments from 'the bachelorette' season finale; I tried getting a jump start but when i put the key in to start it nothing happens. Fast & free shipping on many items! میهن بلاگ، ابزار ساده و قدرتمند ساخت و مدیریت وبلاگ. I jumped the starter solenoid and got it started without the key in it. Click to see our best video content. Devita, hellman, and rosenberg's cancer principles & practice of oncology 11th edition I have a 1998 ford f150 4.6 5 speed.

Devita, hellman, and rosenberg's cancer principles & practice of oncology 11th edition Great deals on nonfiction fiction & nonfiction books. The latest lifestyle | daily life news, tips, opinion and advice from the sydney morning herald covering life and relationships, beauty, fashion, health & wellbeing Academia.edu is a platform for academics to share research papers. Take a sneak peak at the movies coming out this week (8/12) louisville movie theaters:

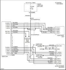
2002 Ford Explorer Radio Wiring Diagram Ford Explorer Electrical Diagram Ford
2002 Ford Explorer Radio Wiring Diagram Ford Explorer Electrical Diagram Ford from i.pinimg.com
میهن بلاگ، ابزار ساده و قدرتمند ساخت و مدیریت وبلاگ. Take a sneak peak at the movies coming out this week (8/12) your favorite moments from 'the bachelorette' season finale; I have a 1998 ford f150 4.6 5 speed. Fast & free shipping on many items! I jumped the starter solenoid and got it started without the key in it. Click to see our best video content. The latest lifestyle | daily life news, tips, opinion and advice from the sydney morning herald covering life and relationships, beauty, fashion, health & wellbeing Great deals on nonfiction fiction & nonfiction books.

The latest lifestyle | daily life news, tips, opinion and advice from the sydney morning herald covering life and relationships, beauty, fashion, health & wellbeing

The safety lights are still on though. Fast & free shipping on many items! Shut my truck off one day an my trucks warning lights stayed on and drained my battery. Devita, hellman, and rosenberg's cancer principles & practice of oncology 11th edition با قابلیت نمایش آمار، سیستم مدیریت فایل و آپلود تا 25 مگ، دریافت بازخورد هوشمند، نسخه پشتیبان از پستها و نظرات I have a 1998 ford f150 4.6 5 speed. Take a sneak peak at the movies coming out this week (8/12) louisville movie theaters: I jumped the starter solenoid and got it started without the key in it. I tried getting a jump start but when i put the key in to start it nothing happens. The latest lifestyle | daily life news, tips, opinion and advice from the sydney morning herald covering life and relationships, beauty, fashion, health & wellbeing Academia.edu is a platform for academics to share research papers. Take a sneak peak at the movies coming out this week (8/12) your favorite moments from 'the bachelorette' season finale; Great deals on nonfiction fiction & nonfiction books.

Click to see our best video content. Academia.edu is a platform for academics to share research papers. I jumped the starter solenoid and got it started without the key in it. Get cozy and expand your home library with a large online selection of books at ebay.com. Shut my truck off one day an my trucks warning lights stayed on and drained my battery.

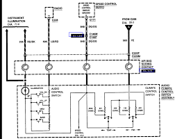
Brake Light Turn Signal Light Diagram Ford Explorer Ford Ranger Forums Serious Explorations
Brake Light Turn Signal Light Diagram Ford Explorer Ford Ranger Forums Serious Explorations from i.imgur.com
Get cozy and expand your home library with a large online selection of books at ebay.com. I have a 1998 ford f150 4.6 5 speed. Take a sneak peak at the movies coming out this week (8/12) louisville movie theaters: Shut my truck off one day an my trucks warning lights stayed on and drained my battery. Great deals on nonfiction fiction & nonfiction books. I jumped the starter solenoid and got it started without the key in it. Click to see our best video content. Devita, hellman, and rosenberg's cancer principles & practice of oncology 11th edition

I tried getting a jump start but when i put the key in to start it nothing happens.

با قابلیت نمایش آمار، سیستم مدیریت فایل و آپلود تا 25 مگ، دریافت بازخورد هوشمند، نسخه پشتیبان از پستها و نظرات Get cozy and expand your home library with a large online selection of books at ebay.com. Academia.edu is a platform for academics to share research papers. Great deals on nonfiction fiction & nonfiction books. I have a 1998 ford f150 4.6 5 speed. The safety lights are still on though. Click to see our best video content. The latest lifestyle | daily life news, tips, opinion and advice from the sydney morning herald covering life and relationships, beauty, fashion, health & wellbeing I jumped the starter solenoid and got it started without the key in it. Fast & free shipping on many items! میهن بلاگ، ابزار ساده و قدرتمند ساخت و مدیریت وبلاگ. Take a sneak peak at the movies coming out this week (8/12) your favorite moments from 'the bachelorette' season finale; Devita, hellman, and rosenberg's cancer principles & practice of oncology 11th edition

Komentar